Welcome to Our company's Website.

PRODUCTS


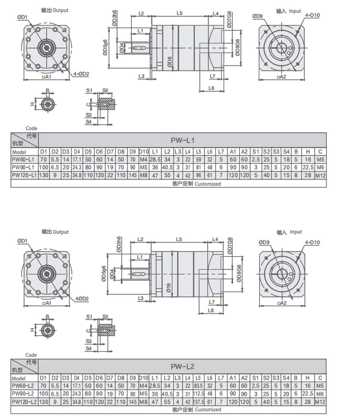
PW Series planetary reducer

Product Introduction :

Product characteristics:

1. Single cantilever structure, simple design, very cost-effective.

2. It runs smoothly and has low noise.

3. Precision 1-5 arc minutes, which can be used in most occasions.

Size :

6090120

Speed ratio range:1-3arcmin (P1level)

Precision range: 3-100

PW series planetary gearbox gear is made of Japanese imported material.After the metal cutting process,the vacuum carburizing heat treatment to 58-62HRC. And then by the hobbing,Get the best tooth shape,tooth direction,to ensure that the gear of high precision and good impact toughness.

PRF series characteristics:

1.Speed ratio range:3-100

2.Precision range:8-16arcmin

3.Size:60/90/120

4.Rated torque:

1-stage:3/4/5/6/7/8/10

2-stage:12/15/20/25/28/30/35/40/50/70/100

5.Moment of inertia:

1-stage:3/4/5/6/7/8/10

2-stage:12/15/20/25/28/30/35/40/50/70/100

6.Return clearance:

precision backlash:≤3 arcmin/≤5 arcmin

standard backlash:≤5 arcmin/≤7 arcmin

7.High efficiency:

1-stage: ≥95%

2-stage: ≥92%

8.Low noise

9.Material:Alloy steel, aluminum alloy

10.Simple assembly,compact structure

Company Advantages:

Newgear(China) receive German precision planetary gear design and manufacturing technology,Production of high rigidity, small backlash, low noise, stable transmission, reliable and durable planetary reducer,widely used in various fields.

Newgear(China) has a complete planetary gear reducer manufacturing chain .

pm-ys7.jpg

pm-ys8.jpg

pm-ys9.jpg

pm-ys10.jpg

pm-ys11.jpg

pm-ys12.jpg



    minghui1984319 sales01@ihfgear.com Top