Welcome to Our company's Website.

PRODUCTS


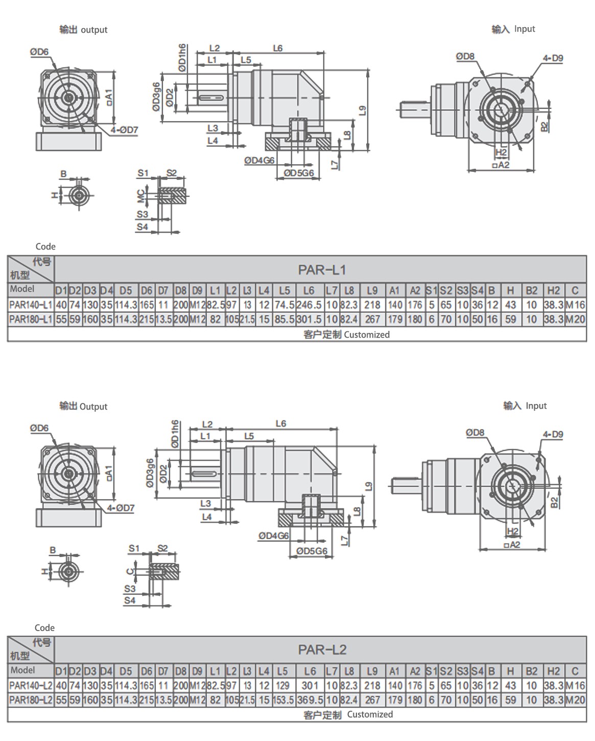
PAR Series planetary reducer

Product Introduction :

*One-piece construction,High Precision and large output torque.

*Double bracing cage planetary shelf structure.high reliable. Can suit reversible rotation frequently

*Helical gear transmission, more reliable. Higher torque.

*Low return backlash, high precision.

*Special Rotation frame structure.can carry bigger Radial&Axial load


Size :

140180

Speed ratio range:P1:1-3arcmin P2:3-5arcmin

Precision range: Ratio:3-100

PAR series planetary gearbox has many kinds and models of reducers and high precision ,long service life ,small return clearance and high reliability.It is suitable for high-end field such as industrial robots,CNC machine tools,aerospace and so on.

PD series characteristics:

1.Speed ratio range:3-100

2.Precision range:1-3arcmin(1-stage); 3-5arcmin(2-stage)

3.Size:140/180

4.Rated torque:

   1-stage:3/4/5/7/8/10/14/20

   2-stage:25/30/35/40/50/70/100

5.Moment of inertia:

   1-stage:3/4/5/7/10

   2-stage:15/20/25/30/35/40/50/70/100

6.Return clearance:

   precision backlash:≤5arcmin/≤7arcmin

standard backlash:≤8arcmin/≤10arcmin

7.High efficiency:

   1-stage: ≥95%

   2-stage: ≥92%

8.Low noise

9.Material:Alloy steel, aluminum alloy

10.Simple assembly,compact structure

Company Advantages:

Newgear(China) receive German precision planetary gear design and manufacturing technology,Production of high rigidity, small backlash, low noise, stable transmission, reliable and durable planetary reducer,widely used in various fields.

Newgear(China) has a complete planetary gear reducer manufacturing chain .

详情页2-1.jpg

详情页2-2.jpg

详情页2-3.jpg



    minghui1984319 sales01@ihfgear.com Top